Страница 1 из 5
Самодельный Fender Champ
Добавлено: Пт авг 31, 2012 2:25 pm
Dima862
Есть идея сделать ламповый комбик и выложить на форум всю историю его создания.
Параллельно хочу выслушать грамотные советы старших товарищей и избежать дилетантских ошибок.
Начну с концепции. Классический Fender Champ, 5 Вт, 3 лампы, ни чего сложного. Корпус хочу сделать, опять таки, сам. В распоряжении пока имеется ламинат красного дерева толщеной 1,5 см и динамик 8'. Подойдёт?
Одобряете?
Сразу задам несколько вопросов:
1) Подойдёт ли красное дерево для корпуса? Не слишком ли толстые деревяжки?
2) габариты 161*356*321(д-ш-в). Не слишком ли мало?
3) Какая эл.схема лучше всего подходит для лёгкого перегруза с гармошкой? (А то модификаций очень много. Какую выбрать?) Какой ещё апгрейд или переделку сразу запланировать? (термоблок на пример)
Re: Самодельный Fender Champ
Добавлено: Пт авг 31, 2012 2:26 pm
Dima862
первая моделька в солиде
Re: Самодельный Fender Champ
Добавлено: Пт авг 31, 2012 2:27 pm
Dima862
02
Re: Самодельный Fender Champ
Добавлено: Пт авг 31, 2012 2:27 pm
Dima862
03
Re: Самодельный Fender Champ
Добавлено: Пт авг 31, 2012 6:26 pm
vnik
Ну разве что пару файликов добавить (вдруг ещё не наткнулся):
Re: Самодельный Fender Champ
Добавлено: Сб сен 01, 2012 1:05 am
George_M
1) пойдёт, по толщине - смотри чертёж оригинала.
2) смотри чертёж оригинала.
3) однозначно с 12ax7 или 6н9с на входе, по схеме 5е1, катодные кондёры - под вопрсом, железа на выходник не жалеть, анодное не меньше 380 вольт, кондёры - оранждропс 225\ps6\716 по вкусу. При желании можно добавить ручку тембра, выйдет принстон 5e2, но не факт что пользы от неё больше чем вреда.
Так же советую смакетить валко 6150 - по сложности то же самое, звук другой. в него кондёры - или керамика или полистирол. тока так.
по изготовлению как труЪ копий чампа так и весьма отдалённо его напоминающих, множество тем на гитарплеере, с разбором типовых ошибок(одних и тех же естессно) каждые 10 страниц по кругу. %-)
например вот:
http://forum.guitarplayer.ru/index.php?topic=147055.0
Re: Самодельный Fender Champ
Добавлено: Сб сен 01, 2012 1:08 am
George_M
зы: селянин, живёшь то ты где?
Re: Самодельный Fender Champ
Добавлено: Вс сен 02, 2012 5:30 pm
Dima862
Оказывается, всё сделано уже 1000 лет назад.
http://alkuz1961.narod.ru/FENDER_5E1.html
Но я бросать не собираюсь. Сделаю кабинет, а дальше посмотрим что можно будет внутрь поставить.
Вопрос: а за чем нужно кабинет тканью обтягивать?
Сам москвич. Занимаюсь, по тому что интересно сделать что-то своими руками.
Re: Самодельный Fender Champ
Добавлено: Вс сен 02, 2012 6:50 pm
George_M
1) обтягивать - для того шо б царапалось меньше. Плюс маскирует огрехи деревообработки. Да и проще это, чем лакировать-полировать. Значительно.
2) из москвы - та мы уш догадались, жители дефолт-сити место жительства в профиле заполнять стесняются почему то... Но может всё таки попробовать?
У товарища по ссылке не совсем правильный чемп в плане как деталей так и режимов, но "деревянные" работы вполне на высоте, спору нет.
А вообще - чампостроительство это давняя и вполне уважаемая все последние лет 60 развлекуха, было бы странно обнаружить в этом занятии что то новое и неожиданное.
зы: бюджет какой планируешь?
Re: Самодельный Fender Champ
Добавлено: Ср сен 05, 2012 9:17 am
George_M
...а в ответ тишина.
Re: Самодельный Fender Champ
Добавлено: Ср сен 05, 2012 1:42 pm
Dima862
Не заметил вопроса. Бюджет... Хочется подешевле, чем он в магазине стоит, но боюсь с покупкой недостающих инструментов выйдет так же, если не дороже.
Вот, вторая итерация в солиде:
Re: Самодельный Fender Champ
Добавлено: Ср сен 05, 2012 1:44 pm
Dima862
Модели деталей и сборка. Вдруг кому то пригодиться))
Re: Самодельный Fender Champ
Добавлено: Ср сен 05, 2012 2:01 pm
George_M
вот это уже симпатично

дешевле кастомшопного фендер-чемпа - невапрос, дешевле чемп600 - врядли. если делать минимально по взрослому - в 8тыр себестоимости укладываешься с очень большим трудом. это при наличии халявных материалов и инструментов.
и какой у тебя опыт паяния?
Re: Самодельный Fender Champ
Добавлено: Ср сен 05, 2012 4:16 pm
Dima862
Ну примерно так и закладываю.
Опыт пояния... поял в юности приёмники разные и усилители к ним. травил платы даже. но до самостоятельных осмысленных разработок так и не дошёл. В смысле повторить могу, а вот изменить устройство под свои цели или заменить одно схематичное решение не другое для меня сложно.
Re: Самодельный Fender Champ
Добавлено: Ср сен 05, 2012 5:57 pm
George_M
Ну тогда без проблем соберёшь, если без самодеятельного отступления от классической топологии. В ламповых делах монтаж гораздо критичнее чем в транзисторных. Главное о ТБ не забывай, высокая напруга.
http://www.tubedepot.com/tweedchampkit.html и
http://site.tubedepot.com/pdf/tweedchampkit_v12.pdf полезненько.
Re: Самодельный Fender Champ
Добавлено: Пн сен 17, 2012 2:01 pm
Dima862
Пропал на 2 недели. Мастерил)))
Сложно было приноровиться к работе электростамеской с не привычки, несколько заготовок даже испортил. Но как приноровился - дело сразу пошло.
Re: Самодельный Fender Champ
Добавлено: Пн сен 17, 2012 2:03 pm
Dima862
Склеил коробку. Не очень ровно. В некоторых местах щели достигали 2 мм.
Re: Самодельный Fender Champ
Добавлено: Пн сен 17, 2012 2:04 pm
Dima862
Доклеел, зашпаклевал.
Re: Самодельный Fender Champ
Добавлено: Пн сен 17, 2012 2:05 pm
Dima862
3/4
Re: Самодельный Fender Champ
Добавлено: Пн сен 17, 2012 2:08 pm
Dima862
Зашкурил и покрасил морилкой (цвет клён)
Результат приятно меня шокировал. Даже жалко такую красоту под тканью прятать, оставлю пока так.
Re: Самодельный Fender Champ
Добавлено: Пн сен 17, 2012 2:11 pm
Dima862
Ручка сделана из старого ремня. Надеюсь прослужит долго.
Re: Самодельный Fender Champ
Добавлено: Пн сен 17, 2012 2:12 pm
dmitrysbor
Кондовый скворечник получился;)
Re: Самодельный Fender Champ
Добавлено: Пн сен 17, 2012 2:14 pm
Dima862
Вставил динамик, который первым под руку подвирнулся)))
Не дело конечно, но для начала подойдёт, что б денег лишних не тратить.
Re: Самодельный Fender Champ
Добавлено: Пн сен 17, 2012 2:15 pm
Dima862
3/4
Re: Самодельный Fender Champ
Добавлено: Пн сен 17, 2012 2:16 pm
George_M
Dima862 писал(а): В распоряжении пока имеется ламинат красного дерева толщеной 1,5 см
Интересно у вас в москве выглядит красное дерево...
зы: я бы всётаки не ногами делал. А то щелей многовато и ступенек.

Re: Самодельный Fender Champ
Добавлено: Пн сен 17, 2012 2:17 pm
Dima862
И вид сзади.
Re: Самодельный Fender Champ
Добавлено: Пн сен 17, 2012 2:21 pm
Dima862
Да, забыл сказать. Решил пока доски не портить, а работать с фанерой.
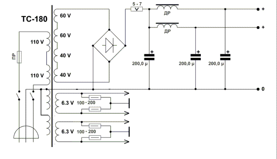
Вопрос: что можно хорошего сделать с дроселем Др-2ЛМ? Можно ли сделать из него выходной трансформатор.
И как подключить ТС-180 грамотно? Применение этого трансформатора тоже временная мера, т.к. он есть под рукой.
Re: Самодельный Fender Champ
Добавлено: Пн сен 17, 2012 4:03 pm
MeTeJIb
Если это черновик то норм, а то столярные работы выполнены чересчур плохо....
Re: Самодельный Fender Champ
Добавлено: Пн сен 17, 2012 4:14 pm
vnik

- tc_180.gif (23.97 КБ) 37470 просмотров
Судя по Вашему фото и этой картинке, там всего 200 вольт невыпрямленного можно получить. А этого, как Вам уже сказал Джордж, маловато будет. Да и шумный этот транс, кроме того что громоздкий... Дроссель наверное лучше использовать по прямому назначению, для фильтрации выпрямленного
Re: Самодельный Fender Champ
Добавлено: Пн сен 17, 2012 4:16 pm
George_M
Dima862 писал(а):Вопрос: что можно хорошего сделать с дроселем Др-2ЛМ? Можно ли сделать из него выходной трансформатор.
У меня есть совершенно необычная идея: может использовать его в качестве дросселя?
http://forum.datagor.ru/index.php?showtopic=6899
Dima862 писал(а):
И как подключить ТС-180 грамотно? Применение этого трансформатора тоже временная мера, т.к. он есть под рукой.
сходи на митинку, купи нормальный питальник и выходник. или позвони в "исток" с тем же результатом.
180тый подарить продавцу на митинке\бомжам\нищебродам для двухтактного гитарника.
зы: ну вот,
vnik опередил.
Re: Самодельный Fender Champ
Добавлено: Чт сен 20, 2012 2:03 pm
George_M
это не наш путь, брать чтото что работает и копировать. Это же не то получится сразу, и звучать не будет, на фирмах же дураки работают одни.
Надо как делать - берешь несколько схем из них режешь пред, петлю, какой нибудь еще понравившийся каскад, к этому всему "БП под Денну" обязательно иначе будет фон однозначно, после этого мощник от хиенда желательно с межкаскадными трансами. Рисуем сами обязательно схему разводки (или платы при большом желании), при этом самое главное чтобы было как можно более непохоже на фирменные платы, да и вообще нежелательно какие либо законы трассировки тут применять - это же убьет весь звук и сделает его плоским и безжизненным как у всей фирменной аппаратуры. В питание естественно какой нибудь ТС-180, похитрей соединив обмотки, на выход самодельное чудо на ОСМ. Подсветив все массой светодиодов мы получим уникальный аппарат.
Ну а поскольку он не заиграет то сфоткаем на телефон и выложив эти мутные фото на форум будем разрывать всем мозги почему это не работает/фонит/свистит/пердит/и тп.
Ну а когда заиграет твердо и прочно уверимся что звук куда лучше любого фирменного, даже несмотря на народные к73 и бмт в качестве конденсаторов и дроссель, намотанный на консервно-баночном железе. Свое то оно ближе и родней всегда.
Ну удачи, основной рецепт крутого звука я вам дал - теперь выполняйте!
(С)el-doctor

Re: Самодельный Fender Champ
Добавлено: Сб сен 22, 2012 8:22 pm
Dima862
George_M писал(а):
зы: я бы всётаки не ногами делал. А то щелей многовато и ступенек.

Ну что ж поделать, опыт работы с деревом у меня ещё меньше чем с паяльником.
Вопрос: дополнительный выключатель анодного питания сильно поможет?
И по чему к-73 применять нельзя? А что тогда применять?
Re: Самодельный Fender Champ
Добавлено: Вс сен 23, 2012 3:03 pm
George_M
По годным типам конденсаторов я выше написАл. Если уж непременно хочется использовать советские типы - смотри на к71-7 (они маркированы как 250вольтовые, но нормированы для оборонки, значит до500 потянут), так же годны ФТ и сильно на любителя к40-у9(верха ощутимо режут. паразитная индуктивность у них нехилая). Про остальное - забудь сразу.
Выключатель анодки сильно облегчает жизнь лампам при старте, но если использовать кенотрон а не полупроводниковое выпрямление - смысла в нём ноль, и так всё хорошо будет.
зы: тема всё больше отдаёт Виртуёй....
Re: Самодельный Fender Champ
Добавлено: Вс сен 23, 2012 11:15 pm
Dima862
George_M писал(а):
зы: тема всё больше отдаёт Виртуёй....
Понял тонкий намёк на толстые обстоятельства...
Сегодня сделал плату с турретами, заказал трансформаторы и закупил все пассивные элементы.
Динамик оставил пока какой есть, но изучаю тему, не торопясь ищу подходящий.
Трансформаторы оба тороидальные
http://matyushin.com/vsya-produkciya/tr ... tan80.html
http://matyushin.com/index.php?do=search
Почитал статью
http://www.magictubes.ru/ves/kondens.htm
Посмотрел на цены в аудиомании (по тысячи целковых за "правильный" конденсатор и столько же за "правильный" резистор)
Стало понятно, что зря полез во всё это.
Как сказал один знакомый "вот ты девочек любишь, но ты же на гинеколога учиться не идёшь"
Но начатое нужно довести до логического завершения, имхо.
George_M писал(а): Выключатель анодки сильно облегчает жизнь лампам при старте, но если использовать кенотрон а не полупроводниковое выпрямление - смысла в нём ноль, и так всё хорошо будет.
Читал на форуме что после выключения питания конденсаторы долго разряжаются и это тоже плохо сказывается на сроке службы лампы. Для дополнительной, скоростной разрядки дополнительный резистор и нужен.
http://www.hi-end-fi.ru/sn0001.html
Re: Самодельный Fender Champ
Добавлено: Пн сен 24, 2012 1:41 am
George_M
1) не забивай голову хайэндом. разные задачи - разные решения.
2) тан80 - нафига?? у тебя всё потребление 25 ватт будет. Ну с запасом - 30. Отменяй заказ, закажи нормальный. И, это, неправильно намотаный тор лучит в десятки раз мощнее классики, учти.
3) выходной транс какой будет?
3а) вторая ссылка выдаёт страницу поиска.
3б) выходных торов для SE усилителя нет, не было, и не будет никогда. Ибо физика.
3в) вполне аутентичный выходник для чемпа продаётся у ерасова. сделано в штатах, конторой классиктон. сам найдёшь?
4) резистор можно поставить и не отключая анодку, но он в чемпе не нужен, кроме как на этапе отладки.
5) я про какие кондёры писал? а ты какие смотрел? какие нафиг тысячи рублей за кондёр?
5а) нафига я трачу своё время пытаясь тебе помочь, если ты в упор не видишь моих советов и творишь незнамо что??
Re: Самодельный Fender Champ
Добавлено: Пн сен 24, 2012 7:09 am
Dima862
2. Прошу прощения, напутал с сылками
http://matyushin.com/vsya-produkciya/tr ... an133.html - это силовой
3.
http://matyushin.com/vsya-produkciya/tr ... 3p6p6.html выходной? отменил уже.
4. хорошо, понял
5. Конечно я не собираюсь такие покупать, ищу Orange Drop.
Re: Самодельный Fender Champ
Добавлено: Пн сен 24, 2012 9:55 am
George_M
Выходной правильно отменил, он был для пуш-пуллов, в чемпе неприменим.
по силовику давай посчитаем:
с сетевой обмоткой всё очевидно, идём считать вторички:
1 обмотка анодная, для двухполупериодной схемы выпрямления, то есть 300v-0-300v, выходной каскад берёт 40-45 миллиампер примерно. предварительный 3-3,5ма. Значит анодные обмотки силовика должны быть от 0,05а по току. Прибавляем 20% запаса, получаем 0,06А.
2 обмотка - накал, желательно с средней точкой, то есть 3,15v-0-3,15v, выходная лампа берёт 0,45а тока, предварительная 0,35а. в сумме 0,8А. Прибавляем 20% запаса - получаем ампер.
3 обмотка - накальная на кенотрон. 5v. Если ставить оригинальную лампу 5Y3GT - 2 ампера, если более доступную 5U4 - 3 ампера. Заказывай на 3 и не парься, тут запас не помешает. И не забудь традиционные 20% накинуть.
Мощность по всем 3м, она же "выходная мощность трансформатора" можешь посчитать сам. Никак не 80 и не 90 ватт.
Теперь сравни то что нужно по расчёту с тем что ты хотел заказать....
- конечно работало бы и с выбраным тобой силовиком, не вопрос, НО были бы и минусы:
1) превышение напруги из за недогруза.
2) лишняя масса.
3) слишком большой (больше 50%) запас делает слишком ровный звук из за отсутствия просадок. нехорошо.
Re: Самодельный Fender Champ
Добавлено: Пн сен 24, 2012 10:06 am
George_M
зы:
по кондёрам: дропсы 225 и PS дадут более винтажный, яркий тон. Советские К71-7 очень к ним близки. 715\716 - более мясистый. Так же для винтажа годны жёлтые созо или для точной реплики - ред астрон.
по резисторам: более аутентичны - угольные (не угольно-плёночные!) маркируются как CarbonComp или CC. мощность 0,5ватта кроме катодного в выходном каскаде(5 ватт, проволочный пойдёт) и блоке питания (1 ватт).
металлоплёночные (Metal Film, MF) будут меньше шуметь, но сделают звук менее живым и более ровным.
Re: Самодельный Fender Champ
Добавлено: Ср сен 26, 2012 3:15 pm
Dima862
глупый вопрос спрошу: резистор угольные и резистор углеродистый это разные вещи?
не могу найти угольные.
А дропсы 716 нашол уже, лежат в железной коробочке в шкавчике стола, ждут своего часа))
Re: Самодельный Fender Champ
Добавлено: Ср сен 26, 2012 4:15 pm
George_M
Dima862 писал(а):глупый вопрос спрошу: резистор угольные и резистор углеродистый это разные вещи?
Подозреваю что одно и то же, только второй резистор поучился в гуманитарном вузе и стал называться псевдонаучно.

Re: Самодельный Fender Champ
Добавлено: Ср сен 26, 2012 5:53 pm
Dima862
Здорово, у меня будут дипломированные резисторы.
Re: Самодельный Fender Champ
Добавлено: Ср сен 26, 2012 6:11 pm
George_M
И ещё раз напоминаю, угольные(они же углеродные, они же карбоновые, ага) резисторы бывают 2х типов: угольно-плёночные(CF) и угольно-композитные(CC). Первый тип - сплошные минусы и использованию в звуке не подлежит, про второй я написал выше.
Re: Самодельный Fender Champ
Добавлено: Пт сен 28, 2012 1:04 pm
Black Dog
Есче один паяльщик.
Мои первый и пока единственный Чамп тоже больше напоминает кормушку для голубей (даже не скворечник). И стоит в шкафчике, чтобы никто не увидел. Но это был опыт для того, чтобы научиться. И денег не потрачено ни копейки.
А со вторым проектом - пока ждем-с. Ибо денег все нет, а халтуру не хочется.
Re: Самодельный Fender Champ
Добавлено: Пт окт 05, 2012 2:24 pm
Dima862
Сделал шасси из листа стали 1,5 мм. толщиной, вставил всё кроме платы и трансформаторов. Ищу компоненты и жду трансов.
Пробовал обшить тканью - получилось ещё хуже, отодрал.
Переоценил я, конечно, свои силы, думал всё проще получиться и красивее.
Но может мой пример может станет примером того, как делать не надо)))
Если усилитель получиться хороший - сделаю новый кабинет, а в этот поставлю приёмник с транзисторным усилителем, пускай на даче в сарае играет)))
Re: Самодельный Fender Champ
Добавлено: Пт окт 05, 2012 2:25 pm
Dima862
2
Re: Самодельный Fender Champ
Добавлено: Пт окт 05, 2012 2:33 pm
George_M
панельки с золочёными цангами? эт хорошо. А вот кетайские гнёзда это плохо, найди свитчкрафт или хотя бы качественный кетай с того же завода.
А почему края шасси не загнул? как оно у тебя будет стыковаться с экраном на задней стенке? Да и толщина шасси никакая, резонировать будет, это всё снимется лампами и получишь мерский зуд и гуд. инфа 100%.
Re: Самодельный Fender Champ
Добавлено: Сб окт 06, 2012 1:22 am
Dima862
Минутка юмора и сатиры.
Re: Самодельный Fender Champ
Добавлено: Сб окт 06, 2012 10:19 am
George_M
Re: Самодельный Fender Champ
Добавлено: Сб окт 06, 2012 10:43 am
MeTeJIb
Еще таких 2 штуки и ожидания станут реальностью)
Re: Самодельный Fender Champ
Добавлено: Вс окт 21, 2012 9:07 pm
Grey Wolf
Отличный отчет о проделанной работе!
