ламповые дела: (недо-, просто-, и гипер-) чемпы для начала.

А если сюда напильником?...
Аватара пользователя
Мой Повелитель
Сообщения: 3817
Зарегистрирован: Сб янв 20, 2007 10:32 pm
Откуда: Ivanteevka city
Контактная информация:

Re: ламповые дела: (недо-, просто-, и гипер-) чемпы для начала.

Сообщение Мой Повелитель » Вт дек 15, 2009 8:33 pm

ТэВэЗэшками закидаю
Если это детали для лампового комбика, то можешь ко мне кидать.

Если у транса 16В на одной обмотке, 32 на обоих, то будет ли складываться коэффициент трансформации 13,75+13,75 ?
Не спросишь, не узнаешь.
Май мъюзик [url]http://www.realmusic.ru/virtue/[/url]
Аватара пользователя
Homos
Сообщения: 80
Зарегистрирован: Ср июл 01, 2009 1:25 pm

Re: ламповые дела: (недо-, просто-, и гипер-) чемпы для начала.

Сообщение Homos » Вт дек 15, 2009 8:38 pm

George_M писал(а):как жаль что тут незя ругаццо матом... у всех всё есть, один я как бедный родственник. Вот приду с рюкзаком под окна, и ТэВэЗэшками закидаю! так, чисто от зависти. :mrgreen: :mrgreen: :mrgreen:
дак это, у тебя зато семья, дети и постоянная крыша над головой )))
George_M писал(а):А активку в гитаре я не перевариваю. В принципе. Концептуально.
мы с тобой Джо, и не должны её переваривать )) годы уже не те )))
George_M писал(а):Да, хомос, ты свои звучки промерял от неча делать? так то у них должна быть разница в выхлопе (и сопротивлении) изначально. обычно для хамбов где то 2-4 килоома разницы между бриджем и неком это норма. Именно для уравнивания выхлопа. Вот ежели кто сдуру одинаковые поставит - тогда да, отвёртка бесполезна, тока отсечкой катушек и пионерить... :mrgreen:
ничо не мерял, тока слушал, а уши у меня сам знаешь какие )))

п.с. в качестве продолжения оффтопа - задолбался детальки на пистоны накручивать ))) третий час сижу

Изображение
Tunick
Сообщения: 905
Зарегистрирован: Вт май 31, 2005 1:17 am

Re: ламповые дела: (недо-, просто-, и гипер-) чемпы для начала.

Сообщение Tunick » Вт дек 15, 2009 11:03 pm

Virtue
"А сейчас надо обязательно дунуть... если не дунуть никакого чуда не произойдет" -см. Евангелие от Математика 3-7
Матан по тебе плачет горючими слезами.

я не могу. я просто не могу.

Джо -исыпытваешь дефицит в деталье?
Аватара пользователя
George_M
Сообщения: 3053
Зарегистрирован: Пт янв 12, 2007 12:29 pm
Откуда: Киров (Вятка)

Re: ламповые дела: (недо-, просто-, и гипер-) чемпы для начала.

Сообщение George_M » Ср дек 16, 2009 9:32 am

А кто его не испытывает? у нас ни угля лямпортного ни кондёров аксиальных чи электролитов чи горчишников(и оранждропов, и силвермики докучи) нет в принципе, хороших переменников крупных номиналов тоже нет, тока заказывать по и-нету, как Хомос. Про немикрофонящие 6н9с, и эФТэшки я уж не говорю(Хомос так до сих пор и обычную то не потестил стопудов, всё на пальчиках фигачит :mrgreen: ), про гитарное железо - тоже песня грустная. В моих масштабах заказывать невыгодно напрочь, вот бегаю ищу месяцами что надо. Эх житие мое...

Одна радость - я особо никуда и не тороплюсь. :mrgreen: :mrgreen:
................пыво, дефки, рокенроль!..............
[url=http://forum.harmonica.ru/viewtopic.php?f=19&t=128839&p=227585#p227585]валвекастеров[/url] паяльщик, и отвёрток командир...
Это вы меня ещё с плохой стороны не видели.
Аватара пользователя
RamtL
Сообщения: 692
Зарегистрирован: Вт апр 03, 2007 10:48 pm
Откуда: Московский

Re: ламповые дела: (недо-, просто-, и гипер-) чемпы для начала.

Сообщение RamtL » Ср дек 16, 2009 10:19 am

Кто понял жизнь, тот не торопится
Аватара пользователя
Мой Повелитель
Сообщения: 3817
Зарегистрирован: Сб янв 20, 2007 10:32 pm
Откуда: Ivanteevka city
Контактная информация:

Re: ламповые дела: (недо-, просто-, и гипер-) чемпы для начала.

Сообщение Мой Повелитель » Ср дек 16, 2009 2:32 pm

Tunick
Нормально у меня с математикой, это я в надежде "а вдруг" спросил. Для К=26 надо транс который дает на выходе 8,4В. Ищу детали пока, ничего не попадается.
Последний раз редактировалось Мой Повелитель Ср дек 16, 2009 3:01 pm, всего редактировалось 1 раз.
Не спросишь, не узнаешь.
Май мъюзик [url]http://www.realmusic.ru/virtue/[/url]
Аватара пользователя
LeVitaN
Сообщения: 3671
Зарегистрирован: Пн июн 26, 2006 4:07 pm
Откуда: Кингисепп, Ленобласть
Контактная информация:

Re: ламповые дела: (недо-, просто-, и гипер-) чемпы для начала.

Сообщение LeVitaN » Ср дек 16, 2009 2:44 pm

Нормально у меня с математикой...
Для К=26 надо транс который дает на выходе 5,7В.
:lol: :lol: :lol:
весело у вас тут!!! петросянц отдыхает!!!
no harm in... harp!
Аватара пользователя
George_M
Сообщения: 3053
Зарегистрирован: Пт янв 12, 2007 12:29 pm
Откуда: Киров (Вятка)

Re: ламповые дела: (недо-, просто-, и гипер-) чемпы для начала.

Сообщение George_M » Ср дек 16, 2009 3:02 pm

ага.
220:26=5,7... Афигеть... :mrgreen: :mrgreen: :mrgreen:
Гы, пересчитал... А почему сразу не мог?
................пыво, дефки, рокенроль!..............
[url=http://forum.harmonica.ru/viewtopic.php?f=19&t=128839&p=227585#p227585]валвекастеров[/url] паяльщик, и отвёрток командир...
Это вы меня ещё с плохой стороны не видели.
Аватара пользователя
Slava Chernov
Сообщения: 11521
Зарегистрирован: Чт авг 22, 2002 4:00 am
Откуда: Москва
Контактная информация:

Re: ламповые дела: (недо-, просто-, и гипер-) чемпы для начала.

Сообщение Slava Chernov » Ср дек 16, 2009 5:24 pm

LeVitaN Петросянец думает, что то, что он говорит, смешно, а тут товарищ думает, что говорит серьёзно :wink:
[i]"А сейчас надо обязательно дунуть. Если не дунуть - никакого чуда не произойдет" (Амаяк Акопян)[/i]
Аватара пользователя
LeVitaN
Сообщения: 3671
Зарегистрирован: Пн июн 26, 2006 4:07 pm
Откуда: Кингисепп, Ленобласть
Контактная информация:

Re: ламповые дела: (недо-, просто-, и гипер-) чемпы для начала.

Сообщение LeVitaN » Ср дек 16, 2009 5:30 pm

товарищ не думает, а сразу делает...
в отличие от "нытиков-могзофилов, которые много думают, ноют, и ничего не делают. Главное сделать, а завистники-умники, которые будут потом упоминать о достижениях, всегда найдутся"
no harm in... harp!
Аватара пользователя
Homos
Сообщения: 80
Зарегистрирован: Ср июл 01, 2009 1:25 pm

Re: ламповые дела: (недо-, просто-, и гипер-) чемпы для начала.

Сообщение Homos » Ср дек 16, 2009 6:18 pm

George_M
этто ) я тебе что хочу сказать. а что я хочу сказать... тебе.. эм... мороз вынес весь мозг ничо не помню )))

на тубдепоте заказать можно все. ибо. при стоимости заказа в 4 тыр доставка обошлась в 1 тыр. 2 недели и счастье в кармане. если я куплю эту же комплектуху здесь - она мне выйдет раза в 4 дороже. а доставка раза в 4 дешевле )) логика? )

если обида что не пригласил поучавствовать в заказе - ты уж прости, заказали с нетрезвых глаз с товарищем у которого карта с пэйпалом есть, буквально на "раз" ) всё сумбурно было в тот вечер то веть ))

насчет 6н9с - зима длиииинная в наших краях ) а макетное шасси я уже почистил. там и панельки есть и прочая вкусность - испробую я её таки )
Аватара пользователя
George_M
Сообщения: 3053
Зарегистрирован: Пт янв 12, 2007 12:29 pm
Откуда: Киров (Вятка)

Re: ламповые дела: (недо-, просто-, и гипер-) чемпы для начала.

Сообщение George_M » Вт мар 23, 2010 2:36 pm

едет едет ко мне целешн супер 8 и лампапусечка 6550 (кто не в курсе - 40ватт рассеиваемой, 500\450 анод\сетка = нормальный режим). Попоздее транс закажу, потолще - и будет у мну мегачемп.
................пыво, дефки, рокенроль!..............
[url=http://forum.harmonica.ru/viewtopic.php?f=19&t=128839&p=227585#p227585]валвекастеров[/url] паяльщик, и отвёрток командир...
Это вы меня ещё с плохой стороны не видели.
Аватара пользователя
George_M
Сообщения: 3053
Зарегистрирован: Пт янв 12, 2007 12:29 pm
Откуда: Киров (Вятка)

Re: ламповые дела: (недо-, просто-, и гипер-) чемпы для начала.

Сообщение George_M » Вт ноя 09, 2010 3:08 pm

Мегачемп, кстати готов. Если кому интересно - могу схему нарисовать, несколько извратная получилась.
................пыво, дефки, рокенроль!..............
[url=http://forum.harmonica.ru/viewtopic.php?f=19&t=128839&p=227585#p227585]валвекастеров[/url] паяльщик, и отвёрток командир...
Это вы меня ещё с плохой стороны не видели.
Аватара пользователя
Роман
Сообщения: 562
Зарегистрирован: Пн ноя 10, 2008 7:36 pm
Откуда: Украина, г. Луганск

Re: ламповые дела: (недо-, просто-, и гипер-) чемпы для начала.

Сообщение Роман » Вт ноя 09, 2010 6:07 pm

Джордж нарисуй, интересно.
Хорошая музыка вовсе не так плоха, какой она кажется на слух.
Аватара пользователя
Elvis
Сообщения: 885
Зарегистрирован: Вт июл 29, 2003 2:45 am
Откуда: Владимир

Re: ламповые дела: (недо-, просто-, и гипер-) чемпы для начала.

Сообщение Elvis » Вт ноя 09, 2010 10:44 pm

нарисуй :)
[size=90]rare shure 99B86 CM 1959 in jt-30 shell, Blues Blaster,Shure 545sd, Fender princeton reverb'85[/size]
Аватара пользователя
George_M
Сообщения: 3053
Зарегистрирован: Пт янв 12, 2007 12:29 pm
Откуда: Киров (Вятка)

Re: ламповые дела: (недо-, просто-, и гипер-) чемпы для начала.

Сообщение George_M » Ср ноя 10, 2010 6:17 pm

Вот как то так, до конца ещё не вылизано но вполне работоспособно, оконечник "ревёт как в жопу раненый носорог"(С), пред - фузит, если "все ручки вправо" - есть какой то намёк на плекси, непонятно откуда, похрустывание такое на верхах...

Таксказать пре-релиз, будет неспешно доделываться.
Замечания и дополнения приветствуются.
Лампы 12ax7 и 6550
правленая схема ниже.
Последний раз редактировалось George_M Пт дек 10, 2010 12:30 pm, всего редактировалось 6 раз.
................пыво, дефки, рокенроль!..............
[url=http://forum.harmonica.ru/viewtopic.php?f=19&t=128839&p=227585#p227585]валвекастеров[/url] паяльщик, и отвёрток командир...
Это вы меня ещё с плохой стороны не видели.
Аватара пользователя
Elvis
Сообщения: 885
Зарегистрирован: Вт июл 29, 2003 2:45 am
Откуда: Владимир

Re: ламповые дела: (недо-, просто-, и гипер-) чемпы для начала.

Сообщение Elvis » Ср ноя 10, 2010 7:48 pm

уже есть готовый опытный образец?
[size=90]rare shure 99B86 CM 1959 in jt-30 shell, Blues Blaster,Shure 545sd, Fender princeton reverb'85[/size]
Аватара пользователя
George_M
Сообщения: 3053
Зарегистрирован: Пт янв 12, 2007 12:29 pm
Откуда: Киров (Вятка)

Re: ламповые дела: (недо-, просто-, и гипер-) чемпы для начала.

Сообщение George_M » Ср ноя 10, 2010 11:40 pm

Ну, как сказать... Ещё будет перепаиваться, но в принципе уже устраивает. Особенно размерами. %-)
IMG_9653_новый размер.JPG
IMG_9653_новый размер.JPG (128.06 КБ) 23300 просмотров
IMG_9654_новый размер.JPG
IMG_9654_новый размер.JPG (205.82 КБ) 23300 просмотров
IMG_9655_новый размер.JPG
IMG_9655_новый размер.JPG (197.98 КБ) 23300 просмотров
Да, ещё резистор с конденсатором с второй сетки пентода на массу (как на лоневольфе) забыл нарисовать.
................пыво, дефки, рокенроль!..............
[url=http://forum.harmonica.ru/viewtopic.php?f=19&t=128839&p=227585#p227585]валвекастеров[/url] паяльщик, и отвёрток командир...
Это вы меня ещё с плохой стороны не видели.
Tunick
Сообщения: 905
Зарегистрирован: Вт май 31, 2005 1:17 am

Re: ламповые дела: (недо-, просто-, и гипер-) чемпы для начала.

Сообщение Tunick » Чт ноя 11, 2010 4:00 am

Тащемта, попкорн в сторону. Аппарат, судя по схеме, сурьезный.
мелкие вапросы - дакопки
1) R12 -чего такой здаровый? или пред надо было крепко просаживать?
2) Назначение R14 -просто ниразу не ставил резак перед анодной обмоткой(CRC фильтр не в счет)? Просадка напруги\регулировка тока покоя?
3) выхлопник -напоминае железо от ТС31-1 или всетки 0.063 ОСМ? главное -толщиня провода анодной обмотки интересуэ.
4) Скока смещение получается на оконечнике?
Хвалилки:
1)Вот смотрю и хочется мне у себя выкинуть кенотрон и поставить тупой мост диодический. -как думаешь отказ от 2Амперной накальной обмотовки -уменьшить фон\наводки?
2) Анодно-катодные резаки в 12АХ7 - крут-крут-крут! Даеш "гаин"!!!! :))))
3) Обратной связи не вижу -это ж атлична-атлична!!!
4) 400 Вольт на аноде -т.е. ты загнал ее в более токовый режим. это хорошо, заодно и с электролитами нима проблем на 630вольт. Таких я у нас нигде не нашел. максимум джамиконь 22мкф на 450. приходиться бутербродить. :(
5) блин -я терь тож хотю 6550. Г807 -она конечно хороша, довольно недорогая и найти легко(ну легкое шаманство по трансплантации цоколя -не в счет), но хочется хорошего запаса ...(ВНЕЗАПНО) на чистом звуке.Да и вообще -я чтото в последнее время заморочился на окрасе чистого звука.Передрайв -он както обезличиваеть. Завтра попробую вывалить фотовки своего франкейнштейна и схему нарисовайть.
"Сэмплы давай, давай сэмплы!!!" (С)
и на разных режимах
Аватара пользователя
George_M
Сообщения: 3053
Зарегистрирован: Пт янв 12, 2007 12:29 pm
Откуда: Киров (Вятка)

Re: ламповые дела: (недо-, просто-, и гипер-) чемпы для начала.

Сообщение George_M » Чт ноя 11, 2010 12:51 pm

Tunick писал(а):1) R12 -чего такой здаровый? или пред надо было крепко просаживать?
Это пока не финал, паял "на слух", потом ещё попробую поиграться номиналом. У меня ещё и лампочка "для экспериментов" на последнем издыхании, блин, а новых пока нет...
Tunick писал(а): 2) Назначение R14 -просто ниразу не ставил резак перед анодной обмоткой(CRC фильтр не в счет)?
А это ио фильтра и есть... Сперва хотел дроссель зафигачить, но он тупо не влез. Заменил на времяночку резистором что под рукой валялся, потом тоже поиграюсь, может оно и не надо...
Tunick писал(а): 3) выхлопник -напоминае железо от ТС31-1 или всетки 0.063 ОСМ? главное -толщиня провода анодной обмотки интересуэ.
вроде от ТС, толщину не помню. Понятно что работает на пределе, но вроде не сильно подсирает
Tunick писал(а): 4) Скока смещение получается на оконечнике?
последний раз не мерял, тока ток промерял (там для этого контрольный резистор есть, одноомный, удобненько) а вообще 32-40 вольт, играюсь...
Tunick писал(а): Хвалилки:
1)Вот смотрю и хочется мне у себя выкинуть кенотрон и поставить тупой мост диодический. -как думаешь отказ от 2Амперной накальной обмотовки -уменьшить фон\наводки?
Уменьшит 50 герц и появится импульсный шум кратный 50\100гц(от диодов). но я отказался от кена только ввиду нехватки силовика и свободного места. %-(
Tunick писал(а): 2) Анодно-катодные резаки в 12АХ7 - крут-крут-крут! Даеш "гаин"!!!! :))))
Эт не гейн, эт фуззз. %-)
Хотя режим конечно конский, да... Буржуи бы обрыдались.
Tunick писал(а): 3) Обратной связи не вижу -это ж атлична-атлична!!!
Нафиг, в чистом виде не люблю, а презенс тут и даром не надь и с деньгами не надь...
Tunick писал(а): 4) 400 Вольт на аноде -т.е. ты загнал ее в более токовый режим. это хорошо, заодно и с электролитами нима проблем на 630вольт.
попробую ещё подзадрать напругу(вольт 20-30 думаю ещё добуду) и уменьшить ток. Бо выходник жалко. Мощность оставлю ту же, или чуток прижму, ватт до 10ти.
Tunick писал(а): 5) блин -я терь тож хотю 6550. Г807 -она конечно хороша, довольно недорогая и найти легко(ну легкое шаманство по трансплантации цоколя -не в счет), но хочется хорошего запаса ...(ВНЕЗАПНО) на чистом звуке.
А вот не факт что оно тебе понравится. у 6550 сильно меньше верхов, они там не то что бы ровные, а даже чуть глуховаты. По сравнению с 807ой будет ой как заметно.
Tunick писал(а): Да и вообще -я чтото в последнее время заморочился на окрасе чистого звука.Передрайв -он както обезличиваеть. Завтра попробую вывалить фотовки своего франкейнштейна и схему нарисовайть.
Тафай тафай...
Tunick писал(а): "Сэмплы давай, давай сэмплы!!!" (С)
и на разных режимах
не, сперва отлажу полностью, а там видно буит. %-)
Думаю здесь версии схемы выкладывать, с промером вольтажа где надо...
................пыво, дефки, рокенроль!..............
[url=http://forum.harmonica.ru/viewtopic.php?f=19&t=128839&p=227585#p227585]валвекастеров[/url] паяльщик, и отвёрток командир...
Это вы меня ещё с плохой стороны не видели.
Аватара пользователя
vnik
Сообщения: 204
Зарегистрирован: Пт июл 04, 2008 9:04 pm
Откуда: Чебоксары
Контактная информация:

Re: ламповые дела: (недо-, просто-, и гипер-) чемпы для начала.

Сообщение vnik » Чт ноя 11, 2010 7:28 pm

Заметил на фото белые резисторы в керамике... Они ж вроде индуктивны? Или со спецом именно такие? Интересно. Поясните, если можно...
Аватара пользователя
George_M
Сообщения: 3053
Зарегистрирован: Пт янв 12, 2007 12:29 pm
Откуда: Киров (Вятка)

Re: ламповые дела: (недо-, просто-, и гипер-) чемпы для начала.

Сообщение George_M » Чт ноя 11, 2010 7:52 pm

Во первых индуктивны, что в фильтрах блока питания(тем более на диодном мосте) скорее плюс чем минус, жалко индуктивность мала. Во вторых - достаточно мощные и легкодоставаемые. Минус - не любят ударов, как и КСОшка из темброблока.
................пыво, дефки, рокенроль!..............
[url=http://forum.harmonica.ru/viewtopic.php?f=19&t=128839&p=227585#p227585]валвекастеров[/url] паяльщик, и отвёрток командир...
Это вы меня ещё с плохой стороны не видели.
Аватара пользователя
vnik
Сообщения: 204
Зарегистрирован: Пт июл 04, 2008 9:04 pm
Откуда: Чебоксары
Контактная информация:

Re: ламповые дела: (недо-, просто-, и гипер-) чемпы для начала.

Сообщение vnik » Чт ноя 11, 2010 8:57 pm

Т.е. в сигнальных цепях Вы их не ставите, только в питание?
P.S. Я почему спросил: как-то по молодости лет поставил такой вместо сгоревшего токового датчика в БП на ШИМе 3842 в мониторе ЭЛТ... Вот он мне задал... Вроде всё должно работать, а не работает, пугает вспышками по экрану, и не сгорает ничего, главное... Потом допёр... С тех пор не люблю их. Я об такой паяльник затачиваю. Коллекционеры ножей тонкую доводку брусочком из похожей керамики делают... Вот я у одного пижона такого и подсмотрел...
Tunick
Сообщения: 905
Зарегистрирован: Вт май 31, 2005 1:17 am

Re: ламповые дела: (недо-, просто-, и гипер-) чемпы для начала.

Сообщение Tunick » Чт ноя 11, 2010 9:01 pm

Тащемта, отрисовал схему. Фотки вот.
Вложения
100_1160.jpg
100_1160.jpg (44.17 КБ) 23249 просмотров
100_1159.jpg
100_1159.jpg (63.18 КБ) 23251 просмотр
100_1155.jpg
100_1155.jpg (81.22 КБ) 23251 просмотр
Tunick
Сообщения: 905
Зарегистрирован: Вт май 31, 2005 1:17 am

Re: ламповые дела: (недо-, просто-, и гипер-) чемпы для начала.

Сообщение Tunick » Чт ноя 11, 2010 9:18 pm

Сама схема
"Чампман"... тьфу ты ептыть:))
что в ней хреново
1) полукенотронный мост. наличие двух диодов -все таки портить изюм своими щелчками. но всеж лучше чем полностью диодный.
2) дроссель- хрен пойми что. Тащемта, как мы с Джорджем и порешили -это бывший ригондовский сгоревший транс, перемотанный до заполнения на всю катушку 0.25 проводом. Сопротивление 75 Ом, индуктивность неизвестна. зазор немагнитный - его родная бумажка. хз можт вообще ее нафиг выкинуть.
3)В связи с довольно не мелким планируемым выпрямленным напряжением холостого хода(440 переменки -это в идеале 630 выпрямленного, плюс-минус лапоть, с учетом давления лунного света на рельсы, получил 540, и на том спасиба.) -кондеры фильтра сделаны бутербродом. т.е. подключены последовательно. что уменьшает их общую емкость до половины от одного из них т.е. 11мкф. на 900в и сильно портить фильтруемость.Зато облучшает динамику, а ведь в ней то , как известно, весь смысл.
Логичнее было бы получить макисмальное в 450 вольт, стабильное в вольт 400-420 -и можно было совершенно спокойно пробовать любые октальные лампы не боясь их запороть. и использовать нормальный первый жлектролит на 22мкф
4) не самые точные потенциометры. в оригинале пред был бассмановский -т.е. с двумя каналами -один светлый другой обычный. (они отличаться должны были только одним обгонным кондером)
но, из разброса номиналов -что пролазило из одного канала в другой. Сначала тупо один отрубил. стало значительно лучше. но жаба душила выкидывать целый триод на улицу -да и куда выкинуть лишнюю крутилку громкости. -поставил каскады последовательно. к чему привело см. ниже.
5)На схеме не указан -лень было рисовать -на среднюю точку накала -подается +20 вольт через делитель . особо это не помогло. хотя относительно лучше чем просто заземление одного края обмотки. Вывод -нефиг делать шасси слишком мелкими, это не микросхемы блин, для просторного звука, нужен просторный (но не избыточный монтаж). т.е. накальные линии подальше от всяких темброблоков и прочего г. Каждый раз лень матушка запитать накаль постояниевым током.
6) надо разобщить катоды первой лампы -сейчас =это рудимент от басманного входа. т.к. в запаралеленом входе сильно перли помехи -я от него отказался, хотя звук весьм приятный был.

Чего хорошего.
1)
А)трансы. силовик -80ваттное УШ-железо 0.35-й толщины. при первой же возможности демонтирую его и изготовлю на ем двухтактный выходник для каких нить 4х 6П6С. уж больно клевая железка для силовика. Пришлось поставить только потому , что специально рассчитанный ОСМ 0.063 оказался с унылым расслоившимся железом или дефектом заводской намотки.(мотал не сам) -не грелся, но вибрировал безбожно просто. хотя уровень наводок при нем был хоть и больше но терпим. но он все портил своей вибрацией.
Б)Выходник -неизвестное чудо УШ железо 0.35 толщины. габаритка -72 ватта. для 7 ваттного однотакта, думаю пойдеть, мы тут не хиенд , блин, строим. хотя на чистом звуке музыку слухать очень приятственно.перематывал. примерно 2700 первичка и 126 -130 вторичевка.
2) Кондеры межкаскадные -ФТ. Виму не нашел, непонятную хрень китайскую ставить не стал. Вполне себе кондеры. Раньше пределом мечтаний у меня был к40у-9 на 6Н2П (ей маслобумага вообще в кассу) , то теперь зажрался.октали подавай. из пробованных пальчиковых ламп достойно показали себя в данной схеме -сильно олдовые 6Н2П-ЕВ 50х годов зиповые , ЕСС83 от филипс -жаль только одна. РФТщная ее копия -не впечатлила. 6Н1П -ну никак не поперли в этой схеме. ну совсем.свист шум, возбуд , пердеж. Не фартануло, не получилось с ними.
Электролиты -относительно неплохие свежие джамиконы.
3)
Лампы. Оконечная -г807. лампа по ТТХ из наших советских и доступных лампов наиболее близкая к оригинальной 6L6. простор для творчества дает ее способность спокойно держать 600 вольт на аноде в самом штатном режиме.Весьма распостранена и дешева. один трабл -трудно найти панельки. но это не проблема -они элементарн перепаиваются под октал -главное чтоб был донор.
Предвариковые лампы. 6н9с штатно, но спокойно перетыком можно ставить 6Н8С. проигрываем в перегруженности, выигрываем в четкости и сочности звучания. если играть партию на чистом -слегка подгруженном -односзначно 8ка, потом девятка. Если что-то от кранча -до фузза\недодисторшна -то две девятки. две восьмерки -для ночного музицирования на чистом.
Кстати о водке. устанавливая первой восьмерку , а в КП -девятку. можно очень получить очень неплохой чистый с возможностью быстрого щифта на перегруз. -надо только во-вторую входную пару вставить простейший футсвич вкл\выкл. при замкнутой кнопке -чистый, при разомкнутой -режим "ЕБ@$#ИЛОВО", как говорил Сергей Табачников.если посидеть и настроить на бридже громкость потише , а на неке погромче -можно быстро шифтить медлу глубоким чистым саундом нека и прорезающим бодреньким перегрузом бриджа на примерно одинаковом уровне громкости. мелочь -а приятно. С двумя девятками такой фокус не прокатывает -надо просаживать усиление -увеличивать межкаскадный резистор наверное, ибо прет самовозбуд. Думаю сей баг пофикситься разобщением катодов и установкой катодного резака около 2,7к.

Жду коментариев и советов от Джорджа и всех желающих, вопросов, пожеланий и т.д."Не забывайте, звоните, пишите, письма, присылайте деньги" (С)
П.С. Постараюсь записать семплы. -на данный момент спожник без сапог -ни одного рабочего микрофона. Мик в ноуте -УГ, а микрофонный вход похоже сгорел. попробую методом Электрохарпа.
Вложения
Scheme1.jpg
Scheme1.jpg (56.88 КБ) 23249 просмотров
Аватара пользователя
George_M
Сообщения: 3053
Зарегистрирован: Пт янв 12, 2007 12:29 pm
Откуда: Киров (Вятка)

Re: ламповые дела: (недо-, просто-, и гипер-) чемпы для начала.

Сообщение George_M » Пт ноя 12, 2010 9:20 am

Так, "что хреново"
1) а ты их зашунтируй кондёрами то... Смотри схему vht супер6, или силверфейсов.
2) бумажку выкинуть - индуктивность поднимется.
3) это да, но с кеном первый кондёр большой ёмкости это плохо, ты ж уже сталкивался...
4) а привело это к подобию маршалла восьмисотого, посмотри схему. %-)) И при этом хай\лоу входы на каждом каскаде - излишество.
5) мне хватило земли на одну сторону накальной обмотки, вышло даже лучше чем искуственная средняя точка, но тут всё зависит от топологии.
6) да, будет лучше.
7) КП нарисован с ошибкой, откуда у тебя сигнал на ТБ идёт? %-)))
8 ) пикушки перед сетками от самовозбуда? первым делом разорви катоды преда, потом если останется - ищи откуда прёт, перекладывай провода, выкидывай эти кондёры нафиг.
9) в катоде пентода это такая попытка презенса? тогда понятно почему оно не работает. Сделай всётаки по человечески, с обратной связи...
10) дизайн "боковин корпуса" - ой...

Да, померяй напругу между катодом кп и подогревателем, если выше паспортного на лампу - задирай дальше среднюю точку накала, пока не войдёт в норму. Обязательно!

"чего хорошего"
1-3) таки да!
4) топология уже значительно лучше продумана. Зачем, кстати, скотч на электролитах на плате, лень было ещё одну ногу сделать? %-))
5) колпачок на 807 зачотный. "травмобезопасный" %-)

Vnik, да брось ты с этим "на вы"...
Да, в бп. Ещё один такой резюк стоит в катоде выходной лампы но там шунт 100мкф кондёром, так что пофиг совершенно. %-)
В вч схемах их применять, конечно, ой. %-)))
Последний раз редактировалось George_M Пт ноя 12, 2010 9:52 am, всего редактировалось 2 раза.
................пыво, дефки, рокенроль!..............
[url=http://forum.harmonica.ru/viewtopic.php?f=19&t=128839&p=227585#p227585]валвекастеров[/url] паяльщик, и отвёрток командир...
Это вы меня ещё с плохой стороны не видели.
Аватара пользователя
George_M
Сообщения: 3053
Зарегистрирован: Пт янв 12, 2007 12:29 pm
Откуда: Киров (Вятка)

Re: ламповые дела: (недо-, просто-, и гипер-) чемпы для начала.

Сообщение George_M » Пт ноя 12, 2010 9:24 am

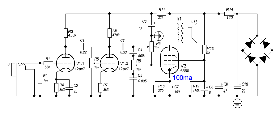
По гиперчампу: первую схему рисовал по памяти и со старой бумажки, по факту блок питания несколько забавнее получился. Вот тут поправленая и с напругами. Номинал катодного резистора пентода нарисован от балды. Диодный мост тоже. Остальное, включая пред - точно.
TripleChamp2.GIF
TripleChamp2.GIF (16.43 КБ) 23229 просмотров
в планах: поподнимать напругу на пред, послушать. поподнимать напругу на вторую сетку пентода, послушать. Повесить "брайт" на регулятор гейна. Найти электролиты на большой вольтаж, поподнимать напругу на пентод(сейчас, пока не прогреется - там 500 вольт, с 450ти вольтовыми кондёрами пока резона нет).
На не прозвучавший вопрос "откуда такие режимы преда" - снято с типовых из даташита на 6н9с. Попробовал - понравилось, подправил на слух. %-)
................пыво, дефки, рокенроль!..............
[url=http://forum.harmonica.ru/viewtopic.php?f=19&t=128839&p=227585#p227585]валвекастеров[/url] паяльщик, и отвёрток командир...
Это вы меня ещё с плохой стороны не видели.
Tunick
Сообщения: 905
Зарегистрирован: Вт май 31, 2005 1:17 am

Re: ламповые дела: (недо-, просто-, и гипер-) чемпы для начала.

Сообщение Tunick » Пт ноя 12, 2010 2:29 pm

1) Каким номиналом диоды шунтирують?
2) соберусь с мыслями -выкину
3)22 мкф -нормально держит, вот 47 -там уже пробои начинаются. покрайней мере второй -точно стоит 22 сделать
4)Если разобщить катоды и нормально подобрать катодные резисторы -получиться именно JCM 800. а хайлоу входы -это не излишество -а рудимент от бассмана. их жеж скотчем не заклеишь. :((( -вывод -нефиг раньше времени сверлить отверстии
5) Накальных обмотовок -2, одна на оконечник,одна на пред. у предовой -настоящая средняя точка, а у оконечной -да, искусственная. -влом рисовать было.
6) -блин в них все и уперлось.
7) -зарапортовался я совссем -обрати внимание на время постинга схемы. седня пофиксю.
8) -смотрим пункт про разобщение катодов.
9)Насчет оос -делал. нормально делал, не так ка счас. понял что без нее лучше. а вот эту фиговину свинтил из схемы "Octal fatness" -там что-то похожее -тока 6Ж8 на входе вместо первой девятки и еще пара фишечек.Значительно легче ей регулировать выслкие вкупе с крутилкой требла
. -думаю что надо будет попробовать на входе пентод. 6Ж8, еще круче 6Ж7 или ....6П6С!
10) :))))
-что "Ой..."? это... это... блин как там я грил.. ну ..ну это...это для , как его...
"просто такой креатив,нестадартный авторский замысел и вообще арнуво", а светящиеся радиолампы и высокие напряжения - "они для придания месседжу этого перфоманса тонов ретро-стайла и экстрима одновременно", Во.
:)))))
про хорошее
4)скотч на электролитах =да я решил не замудриваться -тупо их скотчем сбутербродил, чтоб не разлезались.
5) Колпачок да!!!!!!!он же оригинально на 5мм вывод расчитан, пришлось очень аккуратно переделать у него контакт. про безопасность эт верно -в прошлый раз вечно находились желающию коснуться пальчиком анодного вывода. а второй лапкой за батарею или корпус системника.

**********************************************************************************************
Померял постоянную напругу между катодом КП и подогревателем. 181 В!!!! это же полный абзац!!! так нельзя жить1!! (спасибо за подсказку!!)
Последний раз редактировалось Tunick Пт ноя 12, 2010 3:37 pm, всего редактировалось 1 раз.
Аватара пользователя
George_M
Сообщения: 3053
Зарегистрирован: Пт янв 12, 2007 12:29 pm
Откуда: Киров (Вятка)

Re: ламповые дела: (недо-, просто-, и гипер-) чемпы для начала.

Сообщение George_M » Пт ноя 12, 2010 2:56 pm

Tunick писал(а):1) Каким номиналом диоды шунтирують?

от 600 пик до 12нан, по вкусу.
Tunick писал(а): 3)22 мкф -нормально держит, вот 47 -там уже пробои начинаются. покрайней мере второй -точно стоит 22 сделать
А по паспорту на кен скока, 8? :mrgreen:
Ты ж превышением, помимо прочего, его срок службы в разы сокращаешь..
Tunick писал(а): но подобрать катодные резисторы -получиться именно JCM 800. а хайлоу входы -это не излишество -а рудимент от бассмана. их жеж скотчем не заклеишь. :((( -вывод -нефиг раньше времени сверлить отверстии
В случае чего, от лишних дырок неплохо спасает фальшпанель, в случае с схемой JCM800 - я думаю к ней неплохо пойдёт из золотистого оргстекла.
:mrgreen: :mrgreen: :mrgreen:
Tunick писал(а): 9)Насчет оос -делал. нормально делал, не так ка счас. понял что без нее лучше. а вот эту фиговину свинтил из схемы "Octal fatness" -там что-то похожее -тока 6Ж8 на входе вместо первой девятки и еще пара фишечек.Значительно легче ей регулировать выслкие вкупе с крутилкой требла
. -думаю что надо будет попробовать на входе пентод. 6Ж8, еще круче 6Ж7 или ....6П6С!
Хм, 6п6с на входе? я б на это посмотрел... жалко КУ невелик. :mrgreen: :lol: :mrgreen:

Пентоды - пробуй конечно, но не забывая про микрофон и общую дохлость по напруге. Cхемы к примеру - чемп 5ц1, или ранний вокс ас4.
................пыво, дефки, рокенроль!..............
[url=http://forum.harmonica.ru/viewtopic.php?f=19&t=128839&p=227585#p227585]валвекастеров[/url] паяльщик, и отвёрток командир...
Это вы меня ещё с плохой стороны не видели.
Tunick
Сообщения: 905
Зарегистрирован: Вт май 31, 2005 1:17 am

Re: ламповые дела: (недо-, просто-, и гипер-) чемпы для начала.

Сообщение Tunick » Пт ноя 12, 2010 4:19 pm

За диодные шунты спасибо!
про первый электролит -оставлю 11, уговорил.
Вырезал нафиг пикушники. стало веселее. наводок тем не менее не добавилось. мистика.
Про оргстекло -это ты жестоко издеваешься....оргстеклу не место в ЦМ. даже крутелки потенциометров будут металличные, или сам или на заказ выточат.(пока поставил что было)
про 6П6С на входе -почему ку не велик -это ж пентод, там вроде сколько нагрузки поставишь столько и будет. по крайне мере , не меньше чем у 12АХ7.Насчет дохлости по напруге -400 вольт 6П6 выдержит
Про катод и подогреватель. ЖЕСТЬ. 180В!!! до подъема делителем все 200. т.е -двукратное првышение допустимого!
буду подымать еще
Аватара пользователя
George_M
Сообщения: 3053
Зарегистрирован: Пт янв 12, 2007 12:29 pm
Откуда: Киров (Вятка)

Re: ламповые дела: (недо-, просто-, и гипер-) чемпы для начала.

Сообщение George_M » Пт ноя 12, 2010 4:59 pm

Tunick писал(а):Вырезал нафиг пикушники. стало веселее. наводок тем не менее не добавилось. мистика.
Хе, лышный был. Некарашо. Конструкторен - замкад, концлагер!
:mrgreen:
Tunick писал(а): Про оргстекло -это ты жестоко издеваешься....оргстеклу не место в ЦМ. даже крутелки потенциометров будут металличные, или сам или на заказ выточат.(пока поставил что было)
А деревянным непоймичему, сбоку шасси, значит место?
я вот такое имел ввиду:
Изображение
:mrgreen: :mrgreen: :mrgreen: ...уж и поиздеваться нельзя. :wink:
Но насчёт прикрытия лишних дырок фальшпанелью учти - никто ж не мешает.
Tunick писал(а): про 6П6С на входе -почему ку не велик -это ж пентод, там вроде сколько нагрузки поставишь столько и будет. по крайне мере , не меньше чем у 12АХ7.Насчет дохлости по напруге -400 вольт 6П6 выдержит
Про дохлость - эт я про мелкие пентоды писАл. Про 6п6с - во первых нерационально по энергетике, а во вторых ты его раскачаешь входным вольтом(ну двумя край) при нужном смещении? Надо посчитать ради смеха. :wink:
Tunick писал(а): Про катод и подогреватель. ЖЕСТЬ. 180В!!! до подъема делителем все 200. т.е -двукратное првышение допустимого!
буду подымать еще
Во во...
То что они у тебя пока не горят - считай повезло. Для справки: 12ax7eh гарантированно накрывается где то за недели две - месяц работы, при вольтах 80ти сверху паспортных, 12ax7jj - при 150-180ти. :wink:
................пыво, дефки, рокенроль!..............
[url=http://forum.harmonica.ru/viewtopic.php?f=19&t=128839&p=227585#p227585]валвекастеров[/url] паяльщик, и отвёрток командир...
Это вы меня ещё с плохой стороны не видели.
Tunick
Сообщения: 905
Зарегистрирован: Вт май 31, 2005 1:17 am

Re: ламповые дела: (недо-, просто-, и гипер-) чемпы для начала.

Сообщение Tunick » Пт ноя 12, 2010 5:48 pm

про пикушники. -блин, без них самовозбуд свистеть начинае... нада разбощать катоды, усиление ослаблять.
Про деревянные боковины -я ж их ещщо кожзамом не обтянул. это ж еще не финал.еще ж крыша будет и морда трапочно-твидовая
Припустил анодню преда. сделал 260.
приподнял накал. получилось в первых лампах накал +84. а в КП -50 т.е. в 100 вольт укладываюсь.
но все это фигня -кардинально изменит картину только разобщение катодов, для этого к сожалению придется расколдобить колодку с резаками.
этот оампоусил надо назвать "Генту"...
Tunick
Сообщения: 905
Зарегистрирован: Вт май 31, 2005 1:17 am

Re: ламповые дела: (недо-, просто-, и гипер-) чемпы для начала.

Сообщение Tunick » Вс ноя 14, 2010 10:58 pm

Нет Джордж, дело не в бобине. глянт схему что JCM что того ж бассмана с развольтовкой. там в КП -между катодом и землей -180 вольт. а накал тупо заземлен. такшта видимо не так это смертоносно в случае КП наверн.
Расколдобил колодку -разобщаю катоды. посмотрю что получиться
Аватара пользователя
George_M
Сообщения: 3053
Зарегистрирован: Пт янв 12, 2007 12:29 pm
Откуда: Киров (Вятка)

Re: ламповые дела: (недо-, просто-, и гипер-) чемпы для начала.

Сообщение George_M » Пн ноя 15, 2010 9:59 am

Вот поэтому второй лампой в JCM всегда ставили теслу (ныне JJ). Патамушта режим конский но она это терпит, хоть и недокументированно.

Да, с предом, я, как и подозревал, чуток переборщил. Посчитал что вышло, к приезду новой лампы буду делать так:
Вложения
Test Report.tif
Test Report.tif (27.56 КБ) 23138 просмотров
................пыво, дефки, рокенроль!..............
[url=http://forum.harmonica.ru/viewtopic.php?f=19&t=128839&p=227585#p227585]валвекастеров[/url] паяльщик, и отвёрток командир...
Это вы меня ещё с плохой стороны не видели.
Tunick
Сообщения: 905
Зарегистрирован: Вт май 31, 2005 1:17 am

Re: ламповые дела: (недо-, просто-, и гипер-) чемпы для начала.

Сообщение Tunick » Вс ноя 21, 2010 1:44 am

Тащемта, дорогие форумчане. Когда будете проектировать гитарный преамп -слушайте Джорджа. И главное не сверлите в шасси лишних адтулин и не делайте шассю маленьким.

Вот. Катод разобщил. Долго игрался с номиналами катодов\анодов. в итоге вторую лампу решил поставить 6н2п\есс83 -там где переусиление и КП. -ну как то лучше она там стоит чем девятка. неплохо стоит восьмерка -но усиление страдает.
Вопрос к Джорджу -как избавиться от этого чертова фузза на толстых струнах. он мне весь изюм портит
на место первой лампы надумал поставить или 6Г2 или 6Ж8. типа октал фатнес.
С обратной связью траблы -что она есть что ее нет.обратную связь заводил в катод оконечной лампы.или же заводить ее в катод второго триода? (это ж не бассман , где она в фазоинвертор заводиться)
-либо убавляет высокие -либо оставляет.но все равно низкие фуззят.
Аватара пользователя
George_M
Сообщения: 3053
Зарегистрирован: Пт янв 12, 2007 12:29 pm
Откуда: Киров (Вятка)

Re: ламповые дела: (недо-, просто-, и гипер-) чемпы для начала.

Сообщение George_M » Вс ноя 21, 2010 4:57 pm

1) лучше всётаки ЕССку. 6н2п песочит и вообще некошерна.
2) фуз на толстых - аккуратненько режь низа проходными кондёрами, или подправь катодными в преде. тока так.
3) а вот посмотри схемы чемпов с обратной связью... объяснять почему она заводится на катод маломощного триода? (подсказка: скока у тебя смещение на пентоде в вольтах? а обратная связь?). Ну и фазировку проверь докучи, что б генератор не получился. %-)
................пыво, дефки, рокенроль!..............
[url=http://forum.harmonica.ru/viewtopic.php?f=19&t=128839&p=227585#p227585]валвекастеров[/url] паяльщик, и отвёрток командир...
Это вы меня ещё с плохой стороны не видели.
Tunick
Сообщения: 905
Зарегистрирован: Вт май 31, 2005 1:17 am

Re: ламповые дела: (недо-, просто-, и гипер-) чемпы для начала.

Сообщение Tunick » Вс ноя 21, 2010 6:29 pm

Фазировку проверил. смещение на пентоде -50в
орбатная связь -27к с динамика, вторая часть динамика об землю. пробовал и так и так. в одном случае верхов дохрена, в другом чуть лучше но засвистов не было. Ситуация координально изменилась при введени ультралинейного режима при 545 вольтах на аноде. Эксперементировал на 807ой --хорошо. бодрее, жирнее четче. ток катода побольше стал.
сейчас в катоде 1,2к падение -51в. т.е. 45ма примерно, было 28. вообщем стало бодрее.
попробовал 6П7С -думал поиграю цуцуть и красиво бахнет. ну или там малиновый анод станет -нифига. дубасит как не знаю кто. нашел проблему наводок -левая пара гнезд имеет земляную петлю -с правой пары наводок очень мало при макимальных настройках. идея такова -сделать нормальную левую пару и попробовать вернуться к концепции ЖСМ.
Аватара пользователя
George_M
Сообщения: 3053
Зарегистрирован: Пт янв 12, 2007 12:29 pm
Откуда: Киров (Вятка)

Re: ламповые дела: (недо-, просто-, и гипер-) чемпы для начала.

Сообщение George_M » Пн ноя 22, 2010 3:11 pm

Tunick писал(а):Фазировку проверил. смещение на пентоде -50в
орбатная связь -27к с динамика, вторая часть динамика об землю.
А напряжение, напряжение то обратной связи у тя какое получается? а ток? а в процентах к напряжению на катоде? а к току? Кос, грубо говоря, какой? :mrgreen: :mrgreen: :mrgreen:
Tunick писал(а): пробовал и так и так. в одном случае верхов дохрена,
ПОС налицо
Tunick писал(а): в другом чуть лучше
ООС получилась. Тока её не сильно слышно. :wink:

...А теперь переворачиваешь фазу, и заводишь в катод предыдущей лампы (где около вольта смещения, а не 50). во сколько раз изменился Кос? :mrgreen:
- оппаньки, уже слышно! а уже после этого можно к ней поприкручивать "презенс" или прочие частотные фильтры, послушать нравится\не нравится. Ей же можно лишние басы поприжать, вот тебе и антифуз такзять.
Tunick писал(а): нашел проблему наводок -левая пара гнезд имеет земляную петлю -с правой пары наводок очень мало при макимальных настройках. идея такова -сделать нормальную левую пару и попробовать вернуться к концепции ЖСМ.
Интересно с чем именно там петля... По фото не видно. Может дело не в земле, а в "лишнем" каскаде со своим КУ? и его монтаже в целом... Хз...

Да, был ЧампМан, а стал МарЧ? или ЧуМа? :mrgreen: :mrgreen: да, над названием надабуит ещё подумайт... :wink:
................пыво, дефки, рокенроль!..............
[url=http://forum.harmonica.ru/viewtopic.php?f=19&t=128839&p=227585#p227585]валвекастеров[/url] паяльщик, и отвёрток командир...
Это вы меня ещё с плохой стороны не видели.
Tunick
Сообщения: 905
Зарегистрирован: Вт май 31, 2005 1:17 am

Re: ламповые дела: (недо-, просто-, и гипер-) чемпы для начала.

Сообщение Tunick » Ср ноя 24, 2010 2:39 am

Маразм Туника прогрессировал...Умирать так с музыкой
-был опробован каскОд на 6Н9С расчитаный прожкой тубкад. получилось не айс. Случайным перетыком на 6Н8С (у нее ж круть около 3,5 а не 1,6) получился довольно интересный пентодный звук. оторвав нафиг левую половину входов, оказалось что дело не в петле, -просто евая половина имела обгонный кондер для верхов, вот наводка бодрее и перла. видимо монтаж подкачаль. блин, уже это начинает доставать.
Насчет ООС. -да, забыл я про смещение. выхлоп на динмике -около 8 вольт. после резистора на 27к -мало что от этих 8 вольт остается, оно практически никак не шатает оконечник. Именно поэтому только введение ультралинея давало какое-то более-менее заметное облагораживание звучания.

О каскоде на 6Н8С -динамика ептыть!!! Выхлопа с гаком хватит расшатать любой оконечник. в каскодные схемы шикарно подходят лампы с небольшим Ку и высокой крутизной. 12АU7, 6Н6П -детальненько и динамично, сделать внятный перегруз у меня не вышло -но тут видимо беда не схемотехники каскода, а мое кривое шасси. Да, каскодам нравяться высокие напруги и токовые лампы - иногда убиваем двух зайцев
если все это добро пустить без всяких темброблохов напрямую на оконечник -думаю получиться очень хороший динамичный чистый - как в том чемпе с пентодом, только не будет пентодного шума!!
Надо будет поиграться.
Проходной кондер поставил 0.01 к40у9. все равно фуззит. видимо дело в наводке. Чую придеться выкидать нафиг кенотрон. ставить вторую банку в оконечник параллельно.Но какую?
пока в планах вернуться к ЖСМовской топологии, но воткнуть после первого каскадо два еретических диода. -получиться правая половина гнезд(второй) будет работать как нормальный бассманный брайт -он работает нормально, наводки терпимы, а диоды после левой половины входов (первый каскад) дадут мне ровно 0,6-0.7 Вольт срезанного ступенькой звука. как бы и ограничение жесткое есть, и как бы громкость примерно та же.

По сути. Если делать без лишних каскадов усиления -т.е. по схеме бассмана , а не по ЖСМ -получается нормально. Но мне же не нужно нормально -мне же надо чтоб абзац был, я ж хочу выжать и исследовать по максимуму.
Для тех кто будет лепить чтото подобное краткое резюме -Джордж дополнит
Первая лампа -можно октальную 6Н9С\6Н8С -звучат очень достойно обе, у каждой свой изюм.или 6Г2 -это для боевых аппаратов -весьма хорошо выходит, правда триод там один.
6Н2П -НЕТ. есс83 на крайняк.
Вторая лампа -там где переусиление и выход на КП -однозначно пальчиковая, 6Н2П обычная старая, не ЕВ. 50х годов лучше- надежнее. лучше есс83 и подобные.
оконечник- замечательно попрет 6П6С. просто сказка, правда выхлоп слабоват, для дома самое оно.
6П7С -надо пипка. но звучит очень достойно, лучше чем 6П3С -не совместима ввиду пипки и другой распиновки.
г807 -мощнее 6П7С , звук жырнее и более низовей.глубокий звук. либо покупать отдельную панельку -продают на истоке2.ком, либо посидеть час с паяльником и просто перепаять цоколя. при небольшой сноровке -ничего сложного. кому надо расскажу в деталях.
6П3С-Е -электрогитарная лампа. по звуку где то между 6П6С и 6Ф6С. неплохой звук выдает при перегрузке оконечника. мощность в 23 ватта и микрофоностойкость со стандартным цоколем -приятный плюс
Аватара пользователя
George_M
Сообщения: 3053
Зарегистрирован: Пт янв 12, 2007 12:29 pm
Откуда: Киров (Вятка)

Re: ламповые дела: (недо-, просто-, и гипер-) чемпы для начала.

Сообщение George_M » Ср ноя 24, 2010 9:07 am

Tunick писал(а): оказалось что дело не в петле, -просто евая половина имела обгонный кондер для верхов, вот наводка бодрее и перла. видимо монтаж подкачаль. блин, уже это начинает доставать.
Хе, маршалл это такая забавная штука... переложил провода по другому - звук изменился. :mrgreen:
На эту тему, кстати, много легенд у буржуев, и все из жизни.
Tunick писал(а): По сути. Если делать без лишних каскадов усиления -т.е. по схеме бассмана , а не по ЖСМ -получается нормально. Но мне же не нужно нормально -мне же надо чтоб абзац был, я ж хочу выжать и исследовать по максимуму.
лучшее - враг хорошего. Тут главное вовремя остановиться. :wink:
Tunick писал(а):г807 -мощнее 6П7С , звук жырнее и более низовей.глубокий звук. либо покупать отдельную панельку -продают на истоке2.ком, либо посидеть час с паяльником и просто перепаять цоколя.
Если неохота отрывать цоколь можно сделать проще: купить гнёзда "тюльпаны", наделать 5 дырок в шасси и сделать "панельку" самому. Тюльпаны идеально подходят для ног 807ой, контакт намного надёжнее чем у советских гетинаксовых панелей, и не уступает фабричным керамическим. Стоимость решения - копейки.
................пыво, дефки, рокенроль!..............
[url=http://forum.harmonica.ru/viewtopic.php?f=19&t=128839&p=227585#p227585]валвекастеров[/url] паяльщик, и отвёрток командир...
Это вы меня ещё с плохой стороны не видели.
Tunick
Сообщения: 905
Зарегистрирован: Вт май 31, 2005 1:17 am

Re: ламповые дела: (недо-, просто-, и гипер-) чемпы для начала.

Сообщение Tunick » Ср ноя 24, 2010 6:19 pm

6Г2 -хороша, не забываем заземлить 1,4 ,5 ногу.
В след. раз много раз подумаю перед тем как делать темброблок. Вот говорил мне Джордж, а я его не послушался. а зря. 2 6Г2 -такой чемп получиться.
всерьез подумываю -а не закрыть ли все это доброй пластиковой фальшпанелью... :shock:
Аватара пользователя
George_M
Сообщения: 3053
Зарегистрирован: Пт янв 12, 2007 12:29 pm
Откуда: Киров (Вятка)

Re: ламповые дела: (недо-, просто-, и гипер-) чемпы для начала.

Сообщение George_M » Пт ноя 26, 2010 2:58 pm

ну, если из религиозных соображений неохота пластиковой - сделай дюральку. Чугуньку. Железку... Да хоть титан фрезерованый из бруска 50х50.
%-))

Лампапусечки приехали, если оживу к воскресенью - займусь отладкой\юстировкой...
................пыво, дефки, рокенроль!..............
[url=http://forum.harmonica.ru/viewtopic.php?f=19&t=128839&p=227585#p227585]валвекастеров[/url] паяльщик, и отвёрток командир...
Это вы меня ещё с плохой стороны не видели.
Tunick
Сообщения: 905
Зарегистрирован: Вт май 31, 2005 1:17 am

Re: ламповые дела: (недо-, просто-, и гипер-) чемпы для начала.

Сообщение Tunick » Пт ноя 26, 2010 4:36 pm

Джордж издевается. =ну в данном конкретном случае имеет полное право.
Ну хорошо хоть с третьего раза доходит до меня тупого...:))
Вообщем 6Г2 и обратная связь (56к резак на катод триода перед КП) спасли отца русской демократиии меня. вообщем нефиг выпендриваться -теперь можно просто вернуть к полубасманной схеме. Кстати, я вот мыслю что фахоинвертор в бассмане в виде парафазного каскада -он жыж тоже вносит свой некий вклад в общий овердрайв? Ку ж у парафазника вполне нормальное.может одну половиньку -сделать буферным каскадом для нормальной мастер громкости, а то как раз не знаю куда деть. Хотел тремло на ней забоджить -да места на колодке не хватает.
насчет приезда лампусечек - мне тут тож давеча мешок хабара приперли:
10 ГУ50 (6 стаканов на керамике)
2 транса Ш-шных железо хз может и 0.5. но немецкое
2 монтажные колодки на 13 элементов и главный приз -одна на 24. Все это утыкано неродными кондерами и угольными резисторами типа Teapod. вотъ
Последний раз редактировалось Tunick Пт ноя 26, 2010 5:35 pm, всего редактировалось 2 раза.
Аватара пользователя
George_M
Сообщения: 3053
Зарегистрирован: Пт янв 12, 2007 12:29 pm
Откуда: Киров (Вятка)

Re: ламповые дела: (недо-, просто-, и гипер-) чемпы для начала.

Сообщение George_M » Пт ноя 26, 2010 5:08 pm

Гы, третий раз - не водолаз... :mrgreen: :mrgreen: :mrgreen:
Tunick писал(а):Вообщем 6Г2 и обратная связь (56к резак на катод триода перед КП) спасли меня.
Ну вот, а я о чём намекал... Теперь убери "а-ля презенс" из катода выходной лампочки, и прикрути к обратной связи. И попробуй "резонанс".
Tunick писал(а):Кстати, я вот мыслю что фахоинвертор в бассмане в виде парафазного каскада -он жыж тоже вносит свой некий вклад в общий овердрайв? Ку ж у парафазника вполне нормальное.
от 0,8 до 25ти, зависит от режимов. В маршаллах обычно возле единицы болтается, у бассмана 10-20.

Отсюда, вклад ФИ в овер обычно заключается в том, что ФИ чуток перегружается по входу, предыдущими каскадами. :mrgreen:

Ничего тебе ништяков подогнали. Что за трансы, годные? уже пошшупал?
Чего за сопротивляторы такие? не сталкивался...
................пыво, дефки, рокенроль!..............
[url=http://forum.harmonica.ru/viewtopic.php?f=19&t=128839&p=227585#p227585]валвекастеров[/url] паяльщик, и отвёрток командир...
Это вы меня ещё с плохой стороны не видели.
Tunick
Сообщения: 905
Зарегистрирован: Вт май 31, 2005 1:17 am

Re: ламповые дела: (недо-, просто-, и гипер-) чемпы для начала.

Сообщение Tunick » Пт ноя 26, 2010 5:33 pm

трансы -один ТН33 совковый -второй Ш-шный -сечение гдето на 50 ватт. сказали что Ш-шный второй притаранят. Очень похожи на беаговские , только меньше. буду прозванивать\разматывать.
сопротивляторы были от немецкого девайса на LS50. когда LSки прогорели заменили их нашими ГУшками. когда гушки прогорели -из 10 -6 пришлось забарковать(пох, главное стаканы, годных ГУшек у меня и так валом) -девайс приперли на переплавку одного номерного завода, название котрого я не могу разгласить. ну а оттуда ?????? -и уменя доvf
Но главное это колодки.мм -красиво так набита была -аж распаивать жалко было. вывод -главное не экономить места. Кстати -может есть где чертежи самих шасси голов. судя по видео (XTC,bassman, jcm теже)-они довольно не мелкие -700-800мм длиной. я так думаю что это злонамерянно, а не для понту?
Аватара пользователя
George_M
Сообщения: 3053
Зарегистрирован: Пт янв 12, 2007 12:29 pm
Откуда: Киров (Вятка)

Re: ламповые дела: (недо-, просто-, и гипер-) чемпы для начала.

Сообщение George_M » Пт ноя 26, 2010 5:53 pm

Tunick писал(а):Ш-шный -сечение гдето на 50 ватт. сказали что Ш-шный второй притаранят. Очень похожи на беаговские , только меньше. буду прозванивать\разматывать.
Погоди разматывать... Это могут оказаться от вермоны например...
Tunick писал(а):Кстати -может есть где чертежи самих шасси голов. судя по видео (XTC,bassman, jcm теже)-они довольно не мелкие -700-800мм длиной. я так думаю что это злонамерянно, а не для понту?
Гы, это тока ерасов и пиви делают хайгейновые усилки с трёхэтажно-бутербродным монтажом. А у того же джима маршалла, как я уже говорил, от расположения проводов звук и наводки менялись. Сделаешь монтаж плотнее - получишь наводки всего на всё...

А вообще - на ceriatone.com выложены лейауты плат - можно плясать от них, уточнив размеры(да и фотки монтажа там ничего). габаритные размеры и фотки разных шассей - в нете как грязи, а вот так что бы чертежи - не видал(впрочем и не искал целенаправленно).
Последний раз редактировалось George_M Пт ноя 26, 2010 6:08 pm, всего редактировалось 1 раз.
................пыво, дефки, рокенроль!..............
[url=http://forum.harmonica.ru/viewtopic.php?f=19&t=128839&p=227585#p227585]валвекастеров[/url] паяльщик, и отвёрток командир...
Это вы меня ещё с плохой стороны не видели.
Tunick
Сообщения: 905
Зарегистрирован: Вт май 31, 2005 1:17 am

Re: ламповые дела: (недо-, просто-, и гипер-) чемпы для начала.

Сообщение Tunick » Пт ноя 26, 2010 5:57 pm

тащемта габаритов то за глаза хватит, спс.
Сумневаюсь что от вермоны -там было 2 офиегнных керамических вывода(диоды штоле) - ну вторичка адово толстым проводом была мотана. чтото промышленное. а ТН можно на двухтакт из токовых сподобить, по схемам Комарова. все никак пару одинковых не соберу. 30,33, 36 46 -хоть бы два одинаковых.
надо Ктр померяти.а про переомт - они блин, герои, вечно догадываются оторвать провода первички почти по корень, блджад.
Аватара пользователя
George_M
Сообщения: 3053
Зарегистрирован: Пт янв 12, 2007 12:29 pm
Откуда: Киров (Вятка)

Re: ламповые дела: (недо-, просто-, и гипер-) чемпы для начала.

Сообщение George_M » Пт ноя 26, 2010 6:21 pm

ненада ТН на звук ставить... и ТАН ненада... ибо бяка.
Уж особенно имея своих мотальщиков и груду железа.

Да, за компоновку: http://www.guitarplayer.ru/forum/index. ... c=102956.0 - читать до конца. Этот перец вылизывает свой вариант маршалла не первый год, дальше в теме есть и лэйаут и то как он его постепенно правил, и наводки от\на провода\детали разрисованы, что критично что нет*... Вникай, пользительно.

* - Не то что я, обалдуй, со своей "пайкой на слух", "топологией от балды", и "наладкой на ощупь" :mrgreen: :mrgreen: :mrgreen:
................пыво, дефки, рокенроль!..............
[url=http://forum.harmonica.ru/viewtopic.php?f=19&t=128839&p=227585#p227585]валвекастеров[/url] паяльщик, и отвёрток командир...
Это вы меня ещё с плохой стороны не видели.
Tunick
Сообщения: 905
Зарегистрирован: Вт май 31, 2005 1:17 am

Re: ламповые дела: (недо-, просто-, и гипер-) чемпы для начала.

Сообщение Tunick » Пт ноя 26, 2010 8:34 pm

Недолго мучалась старушка. ТРанс оказался не Шашным а Ф-ным.блин. ненавижу это г. :evil:
Аватара пользователя
George_M
Сообщения: 3053
Зарегистрирован: Пт янв 12, 2007 12:29 pm
Откуда: Киров (Вятка)

Re: ламповые дела: (недо-, просто-, и гипер-) чемпы для начала.

Сообщение George_M » Пн ноя 29, 2010 9:27 am

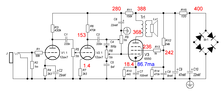
Так, версия 1.3
Обвязку преда решил не менять, тока напругу повысил. Поправил катодный резистор выходного пентода, поднял напругу на второй сетке, выкинул один лишний резистор - фузит поменьше, звучит вроде поприятнее. Чего б ещё выкинуть?
(R13+C8 очень пользительные детальки. Мало того что давят фон насмерть, так ещё и кондёры разряжають, после выключения)
Типы деталей: R10, R14 - проволока, R11 - млт(что нашлось то и поставил), остальные - китайские CF. C1 - wima полиэстер, C3 - OrangeDrops 714, C4 - ксо, C5 - к71-7б, электролиты - по вкусу, питальник - ТАН23(дохловат-с), выходной - мотаный на заказ 5ком:8ом(тоже дохловат, но терпимо).
Думаю ещё к крутилке гейна неотключаемый "брайт" присобачить, найду путный кондёр - попробую.
TripleChamp3.GIF
TripleChamp3.GIF (13.66 КБ) 22908 просмотров
Фиговая версия получилась.
Последний раз редактировалось George_M Пт дек 10, 2010 12:31 pm, всего редактировалось 1 раз.
................пыво, дефки, рокенроль!..............
[url=http://forum.harmonica.ru/viewtopic.php?f=19&t=128839&p=227585#p227585]валвекастеров[/url] паяльщик, и отвёрток командир...
Это вы меня ещё с плохой стороны не видели.
Ответить