Усилитель для наушников
Усилитель для наушников
Добрый день.
Планирую апгрэйд.
Есть звуковая карта RME Multiface, но на ней нет выхода на наушники, но есть линейный выход.
Как я понимаю безнаказанно втыкать наушники в линию нельзя.
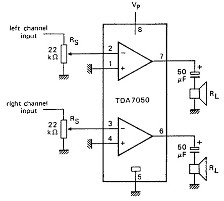
Думаю использовать усилитель на микросхеме TDA7050.
Рационально или это "экономия на спичках"?
Планирую апгрэйд.
Есть звуковая карта RME Multiface, но на ней нет выхода на наушники, но есть линейный выход.
Как я понимаю безнаказанно втыкать наушники в линию нельзя.
Думаю использовать усилитель на микросхеме TDA7050.
Рационально или это "экономия на спичках"?
Re: Усилитель для наушников
Изображения
- Вложения
-
- Схема усилителя
- Безымянный.jpg (33.17 КБ) 5397 просмотров
-
- Вот изображение самой звуковухи
- 78995233_2_644x461_rme-multiface-pcmcia-dlya-noutbukov-8in-out-fotografii.jpg (20.77 КБ) 5397 просмотров
- vnik
- Сообщения: 204
- Зарегистрирован: Пт июл 04, 2008 9:04 pm
- Откуда: Чебоксары
- Контактная информация:
Re: Усилитель для наушников
Если требования к ушному усилителю не аудиофильные, то можно выдрать готовый из старого CD-ROM. Они там часто были на отдельной платке. Добавить питание, и усил готов...
Re: Усилитель для наушников
Вопрос отпадает сам собой, увидев сегодня плату вблизи оказалось, что лин. выход сочетает в себе и функции выхода для наушников. На фото в интернете ни чего такого я не разглядел.
- Вложения
-
- 01.jpg (80.48 КБ) 5337 просмотров
Re: Усилитель для наушников
Убедитесь визуально что за усилитель стоит на выходе. Вероятно операционный усилитель который терпит малоомную нагрузку 8-32 ома. В любом случае желательно отдельный телефонный усилитель.На тда 7050 не стоит там огромные искажения. Это чисто бытовой прибор.
- Grey Wolf
- Автор сайта
- Сообщения: 5947
- Зарегистрирован: Сб июл 27, 2002 4:00 am
- Откуда: Москва, Бутово
- Контактная информация:
Re: Усилитель для наушников
Нда, звуковуха без наушников — было бы необычно. Я тоже не сразу заметил, ментувшись смотреть картинки.
Что у тебя за преамп под звуковухой?
Что у тебя за преамп под звуковухой?
Destruction is not negative, You must destroy to build.
©
Re: Усилитель для наушников
А... Это очень интересный прибор, винтаж. Был старый студийный аналоговый пульт, его разобрали по каналам, добавили блоки питания и получились отдельные приборы. Один прибор удалось урвать мне)))
Единственное что я изменил, это наклеил новую приборную панель, нарисованную в пэйнте на скотч, т.к. на штатной панели все надписи были под углом 90 градусов.
сайт мастера: http://vintagesound.ru/?p=137
PS: Выход звуковой карты действительно очень хорошо подходит для наушники.
Единственное что я изменил, это наклеил новую приборную панель, нарисованную в пэйнте на скотч, т.к. на штатной панели все надписи были под углом 90 градусов.
сайт мастера: http://vintagesound.ru/?p=137
PS: Выход звуковой карты действительно очень хорошо подходит для наушники.
